文档详情

电线盒安装位置控制工具的研制优质

pdf
3.79MB
约14页
57
2024-04-01
电线盒安装位置控制工具的研制_第1页
1/14
电线盒安装位置控制工具的研制_第2页
2/14
电线盒安装位置控制工具的研制_第3页
3/14
电线盒安装位置控制工具的研制_第4页
4/14
电线盒安装位置控制工具的研制_第5页
5/14
电线盒安装位置控制工具的研制_第6页
6/14
电线盒安装位置控制工具的研制_第7页
7/14
电线盒安装位置控制工具的研制_第8页
8/14
电线盒安装位置控制工具的研制_第9页
9/14
电线盒安装位置控制工具的研制_第10页
10/14
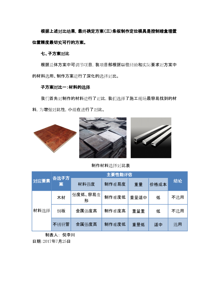
电线盒安装位置控制工具的研制根据提出的三项方案,由于无可参考案例,项目部QC小组成员邀请了建设单位项...

✅当您赞助下载文档后,并不意味着购买了版权,不得用于商业用途(直接或间接盈利)。
✅本站所有内容均由热心网友分享,本站不对文档的完整性、正确性做任何保证!文档内容仅供预览参考。

✅十六年老网站,赞助会员全站免币!每天更新!
✅本站已经工信部、公安部备案,真实可信!

1、打开文档需要使用基本的办公软件,如Word、Office、WPS、Pdf、Cad、Rar、Zip等。

2、如遇下载失败、解压失败、文档缺失等问题,请通过【反馈】按钮提交。

下载文档
确认删除?