文档详情

塔式起重机基础专项方案(2020,65P)优质

doc
3.46MB
约69页
66
2024-03-26
塔式起重机基础专项方案(2020,65P)_第1页
1/69
塔式起重机基础专项方案(2020,65P)_第2页
2/69
塔式起重机基础专项方案(2020,65P)_第3页
3/69
塔式起重机基础专项方案(2020,65P)_第4页
4/69
塔式起重机基础专项方案(2020,65P)_第5页
5/69
塔式起重机基础专项方案(2020,65P)_第6页
6/69
塔式起重机基础专项方案(2020,65P)_第7页
7/69
塔式起重机基础专项方案(2020,65P)_第8页
8/69
塔式起重机基础专项方案(2020,65P)_第9页
9/69
塔式起重机基础专项方案(2020,65P)_第10页
10/69
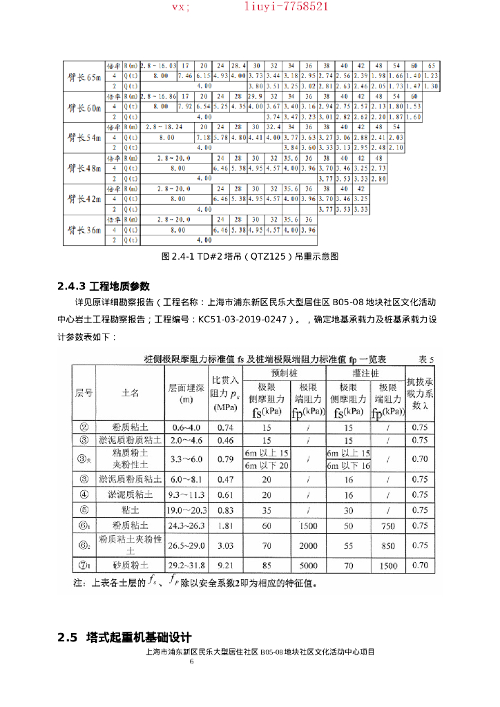
文化活动中心塔式起重机基础专项方案(2020,65P)目 录1 编制依据 12 工程概况 32.1 ...

✅当您赞助下载文档后,并不意味着购买了版权,不得用于商业用途(直接或间接盈利)。
✅本站所有内容均由热心网友分享,本站不对文档的完整性、正确性做任何保证!文档内容仅供预览参考。

✅十六年老网站,赞助会员全站免币!每天更新!
✅本站已经工信部、公安部备案,真实可信!

1、打开文档需要使用基本的办公软件,如Word、Office、WPS、Pdf、Cad、Rar、Zip等。

2、如遇下载失败、解压失败、文档缺失等问题,请通过【反馈】按钮提交。

下载文档
确认删除?