文档详情

安科瑞电气:AGF-T穿孔式光伏汇流采集装置安装使用说明书V1.4优质

pdf
1.62MB
约28页
168
2024-01-07
安科瑞电气:AGF-T穿孔式光伏汇流采集装置安装使用说明书V1.4_第1页
1/28
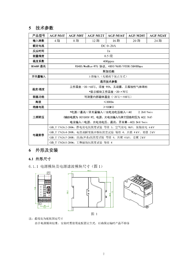
安科瑞电气:AGF-T穿孔式光伏汇流采集装置安装使用说明书V1.4_第2页
2/28
安科瑞电气:AGF-T穿孔式光伏汇流采集装置安装使用说明书V1.4_第3页
3/28
安科瑞电气:AGF-T穿孔式光伏汇流采集装置安装使用说明书V1.4_第4页
4/28
安科瑞电气:AGF-T穿孔式光伏汇流采集装置安装使用说明书V1.4_第5页
5/28
安科瑞电气:AGF-T穿孔式光伏汇流采集装置安装使用说明书V1.4_第6页
6/28
安科瑞电气:AGF-T穿孔式光伏汇流采集装置安装使用说明书V1.4_第7页
7/28
安科瑞电气:AGF-T穿孔式光伏汇流采集装置安装使用说明书V1.4_第8页
8/28
安科瑞电气:AGF-T穿孔式光伏汇流采集装置安装使用说明书V1.4_第9页
9/28
安科瑞电气:AGF-T穿孔式光伏汇流采集装置安装使用说明书V1.4_第10页
10/28

✅当您赞助下载文档后,并不意味着购买了版权,不得用于商业用途(直接或间接盈利)。
✅本站所有内容均由热心网友分享,本站不对文档的完整性、正确性做任何保证!文档内容仅供预览参考。

✅十六年老网站,赞助会员全站免币!每天更新!
✅本站已经工信部、公安部备案,真实可信!

1、打开文档需要使用基本的办公软件,如Word、Office、WPS、Pdf、Cad、Rar、Zip等。

2、如遇下载失败、解压失败、文档缺失等问题,请通过【反馈】按钮提交。

下载文档
确认删除?