文档详情

多联式空调(热泵)机组能源效率标识实施规则优质

pdf
1.27MB
约34页
182
2023-01-31
多联式空调(热泵)机组能源效率标识实施规则_第1页
1/34
多联式空调(热泵)机组能源效率标识实施规则_第2页
2/34
多联式空调(热泵)机组能源效率标识实施规则_第3页
3/34
多联式空调(热泵)机组能源效率标识实施规则_第4页
4/34
多联式空调(热泵)机组能源效率标识实施规则_第5页
5/34
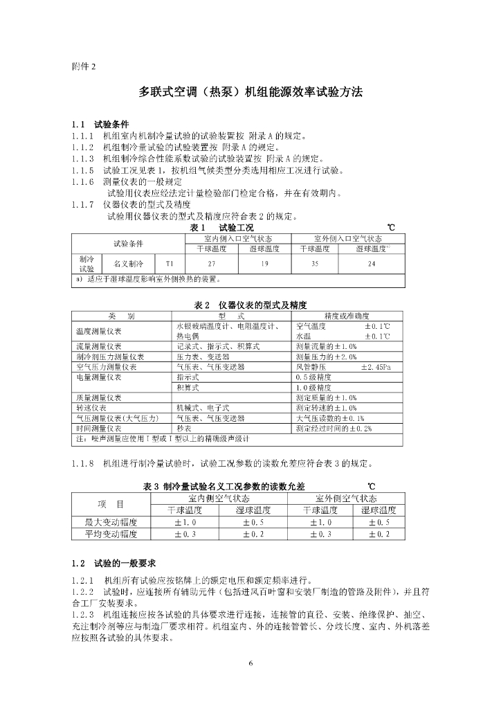
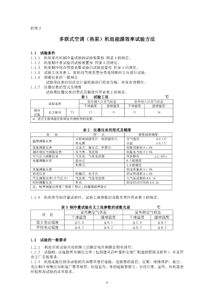
多联式空调(热泵)机组能源效率标识实施规则_第6页
6/34
多联式空调(热泵)机组能源效率标识实施规则_第7页
7/34
多联式空调(热泵)机组能源效率标识实施规则_第8页
8/34
多联式空调(热泵)机组能源效率标识实施规则_第9页
9/34
多联式空调(热泵)机组能源效率标识实施规则_第10页
10/34

✅当您赞助下载文档后,并不意味着购买了版权,不得用于商业用途(直接或间接盈利)。
✅本站所有内容均由热心网友分享,本站不对文档的完整性、正确性做任何保证!文档内容仅供预览参考。

✅十六年老网站,赞助会员全站免币!每天更新!
✅本站已经工信部、公安部备案,真实可信!

1、打开文档需要使用基本的办公软件,如Word、Office、WPS、Pdf、Cad、Rar、Zip等。

2、如遇下载失败、解压失败、文档缺失等问题,请通过【反馈】按钮提交。

下载文档
确认删除?