文档详情

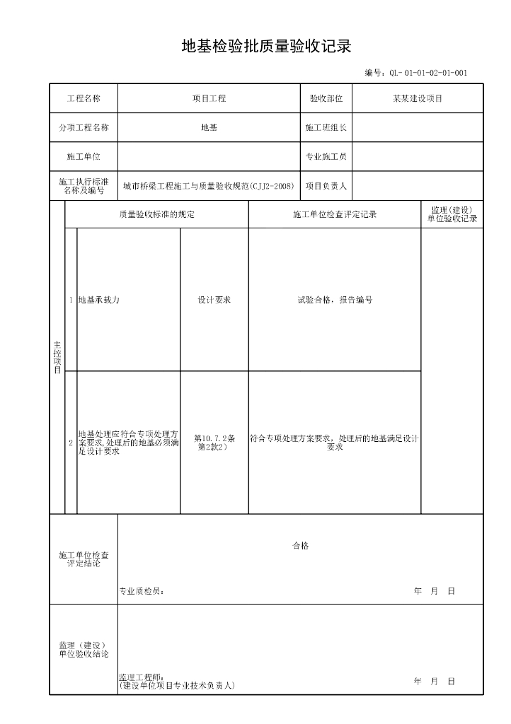
贵州城市桥梁施工质量验收资料表格汇总640P优质

pdf
49.27MB
约640页
102
2024-03-25
贵州城市桥梁施工质量验收资料表格汇总640P_第1页
1/640
贵州城市桥梁施工质量验收资料表格汇总640P_第2页
2/640
贵州城市桥梁施工质量验收资料表格汇总640P_第3页
3/640
贵州城市桥梁施工质量验收资料表格汇总640P_第4页
4/640
贵州城市桥梁施工质量验收资料表格汇总640P_第5页
5/640
贵州城市桥梁施工质量验收资料表格汇总640P_第6页
6/640
贵州城市桥梁施工质量验收资料表格汇总640P_第7页
7/640
贵州城市桥梁施工质量验收资料表格汇总640P_第8页
8/640
贵州城市桥梁施工质量验收资料表格汇总640P_第9页
9/640
贵州城市桥梁施工质量验收资料表格汇总640P_第10页
10/640
题目:贵州省城市桥梁工程施工质量验收文件640P页数:640P年份:2022简介:贵州省城市桥梁工程...

✅当您赞助下载文档后,并不意味着购买了版权,不得用于商业用途(直接或间接盈利)。
✅本站所有内容均由热心网友分享,本站不对文档的完整性、正确性做任何保证!文档内容仅供预览参考。

✅十六年老网站,赞助会员全站免币!每天更新!
✅本站已经工信部、公安部备案,真实可信!

1、打开文档需要使用基本的办公软件,如Word、Office、WPS、Pdf、Cad、Rar、Zip等。

2、如遇下载失败、解压失败、文档缺失等问题,请通过【反馈】按钮提交。

下载文档
确认删除?