文档详情

贵州省桥梁工程桥面系验收资料表格24P优质

pdf
1.94MB
约24页
113
2024-03-25
贵州省桥梁工程桥面系验收资料表格24P_第1页
1/24
贵州省桥梁工程桥面系验收资料表格24P_第2页
2/24
贵州省桥梁工程桥面系验收资料表格24P_第3页
3/24
贵州省桥梁工程桥面系验收资料表格24P_第4页
4/24
贵州省桥梁工程桥面系验收资料表格24P_第5页
5/24
贵州省桥梁工程桥面系验收资料表格24P_第6页
6/24
贵州省桥梁工程桥面系验收资料表格24P_第7页
7/24
贵州省桥梁工程桥面系验收资料表格24P_第8页
8/24
贵州省桥梁工程桥面系验收资料表格24P_第9页
9/24
贵州省桥梁工程桥面系验收资料表格24P_第10页
10/24
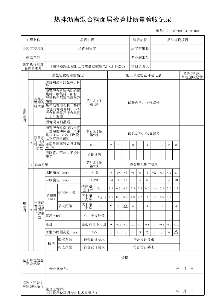
题目:贵州省桥梁工程桥面系验收资料24P页数:24P年份:2022简介:贵州省桥梁工程桥面系验收资料...

✅当您赞助下载文档后,并不意味着购买了版权,不得用于商业用途(直接或间接盈利)。
✅本站所有内容均由热心网友分享,本站不对文档的完整性、正确性做任何保证!文档内容仅供预览参考。

✅十六年老网站,赞助会员全站免币!每天更新!
✅本站已经工信部、公安部备案,真实可信!

1、打开文档需要使用基本的办公软件,如Word、Office、WPS、Pdf、Cad、Rar、Zip等。

2、如遇下载失败、解压失败、文档缺失等问题,请通过【反馈】按钮提交。

下载文档
确认删除?