文档详情

【暖通】医疗卫生建筑设计条文汇编优质

pdf
6.47MB
约123页
84
2024-03-31
【暖通】医疗卫生建筑设计条文汇编_第1页
1/123
【暖通】医疗卫生建筑设计条文汇编_第2页
2/123
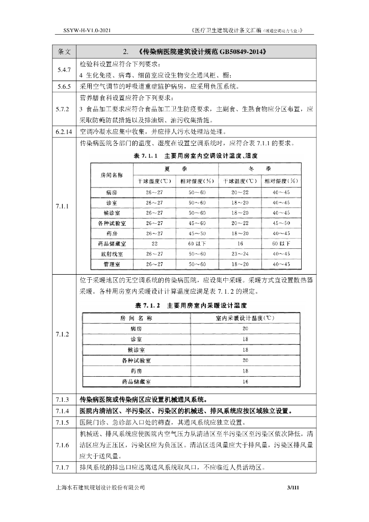
【暖通】医疗卫生建筑设计条文汇编_第3页
3/123
【暖通】医疗卫生建筑设计条文汇编_第4页
4/123
【暖通】医疗卫生建筑设计条文汇编_第5页
5/123
【暖通】医疗卫生建筑设计条文汇编_第6页
6/123
【暖通】医疗卫生建筑设计条文汇编_第7页
7/123
【暖通】医疗卫生建筑设计条文汇编_第8页
8/123
【暖通】医疗卫生建筑设计条文汇编_第9页
9/123
【暖通】医疗卫生建筑设计条文汇编_第10页
10/123
【暖通】 医疗卫生建筑设计条文汇编目录1. 医疗卫生建筑设计规范标准资料清单 2. 《传染病医院建筑...

✅当您赞助下载文档后,并不意味着购买了版权,不得用于商业用途(直接或间接盈利)。
✅本站所有内容均由热心网友分享,本站不对文档的完整性、正确性做任何保证!文档内容仅供预览参考。

✅十六年老网站,赞助会员全站免币!每天更新!
✅本站已经工信部、公安部备案,真实可信!

1、打开文档需要使用基本的办公软件,如Word、Office、WPS、Pdf、Cad、Rar、Zip等。

2、如遇下载失败、解压失败、文档缺失等问题,请通过【反馈】按钮提交。

下载文档
确认删除?