文档详情

机电工程系统联动调试实施方案优质

doc
6.32MB
约80页
157
2024-04-01
机电工程系统联动调试实施方案_第1页
1/80
机电工程系统联动调试实施方案_第2页
2/80
机电工程系统联动调试实施方案_第3页
3/80
机电工程系统联动调试实施方案_第4页
4/80
机电工程系统联动调试实施方案_第5页
5/80
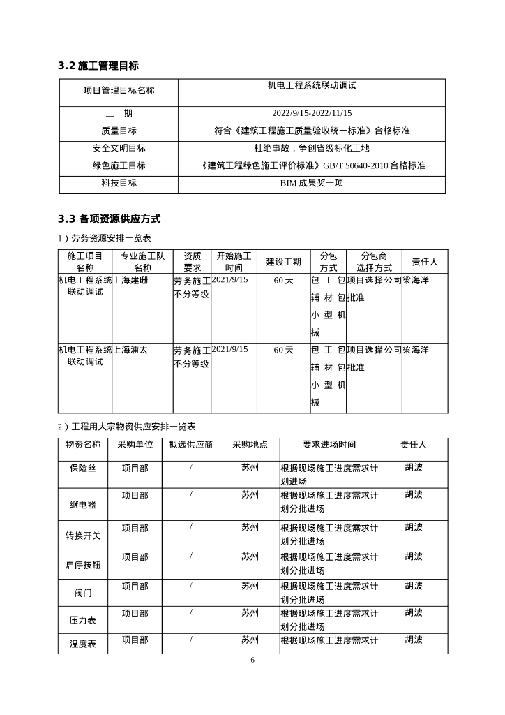
机电工程系统联动调试实施方案_第6页
6/80
机电工程系统联动调试实施方案_第7页
7/80
机电工程系统联动调试实施方案_第8页
8/80
机电工程系统联动调试实施方案_第9页
9/80
机电工程系统联动调试实施方案_第10页
10/80
目录1、编制依据2、工程概况3、施工安排4、施工进度计划 5、施工准备与资源配置计划 6、施工方法及...

✅当您赞助下载文档后,并不意味着购买了版权,不得用于商业用途(直接或间接盈利)。
✅本站所有内容均由热心网友分享,本站不对文档的完整性、正确性做任何保证!文档内容仅供预览参考。

✅十六年老网站,赞助会员全站免币!每天更新!
✅本站已经工信部、公安部备案,真实可信!

1、打开文档需要使用基本的办公软件,如Word、Office、WPS、Pdf、Cad、Rar、Zip等。

2、如遇下载失败、解压失败、文档缺失等问题,请通过【反馈】按钮提交。

下载文档
确认删除?