文档详情

贵州省市政给水排水管道工程定向钻资料表格优质

pdf
1.01MB
约12页
75
2024-03-25
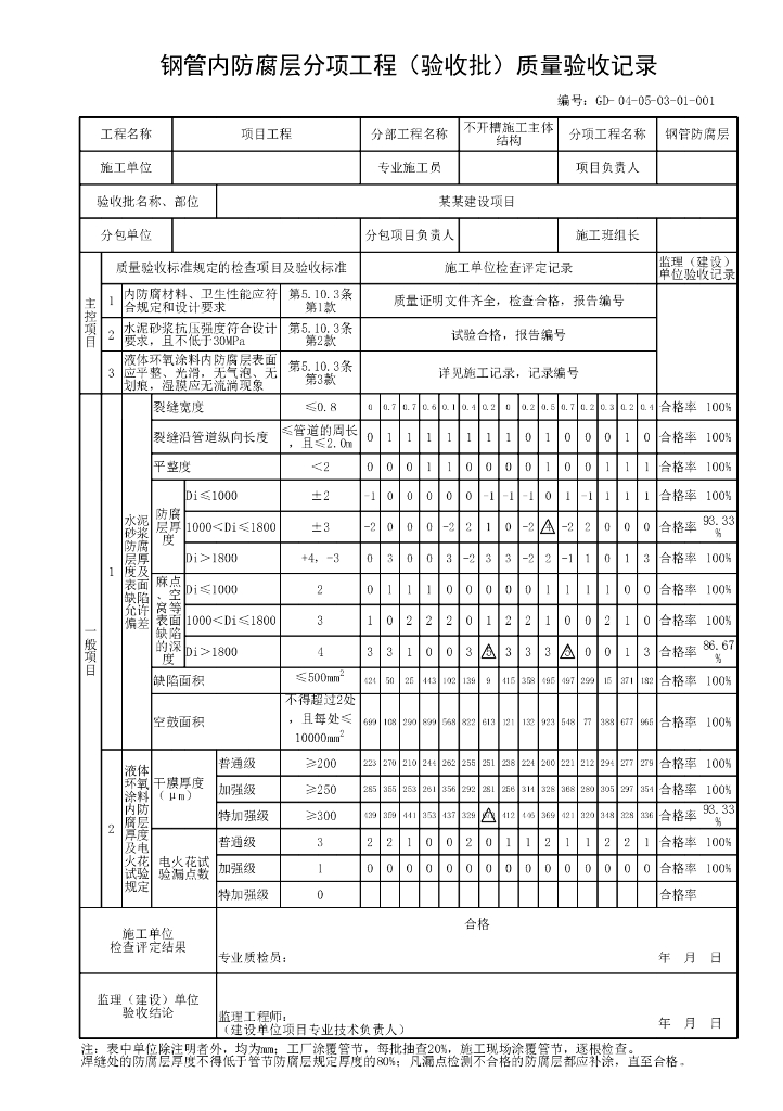
贵州省市政给水排水管道工程定向钻资料表格_第1页
1/12
贵州省市政给水排水管道工程定向钻资料表格_第2页
2/12
贵州省市政给水排水管道工程定向钻资料表格_第3页
3/12
贵州省市政给水排水管道工程定向钻资料表格_第4页
4/12
贵州省市政给水排水管道工程定向钻资料表格_第5页
5/12
贵州省市政给水排水管道工程定向钻资料表格_第6页
6/12
贵州省市政给水排水管道工程定向钻资料表格_第7页
7/12
贵州省市政给水排水管道工程定向钻资料表格_第8页
8/12
贵州省市政给水排水管道工程定向钻资料表格_第9页
9/12
贵州省市政给水排水管道工程定向钻资料表格_第10页
10/12
题目:贵州省市政给水排水管道工程定向钻资料12P页数:12P年份:2022简介:贵州省市政给水排水管...

✅当您赞助下载文档后,并不意味着购买了版权,不得用于商业用途(直接或间接盈利)。
✅本站所有内容均由热心网友分享,本站不对文档的完整性、正确性做任何保证!文档内容仅供预览参考。

✅十六年老网站,赞助会员全站免币!每天更新!
✅本站已经工信部、公安部备案,真实可信!

1、打开文档需要使用基本的办公软件,如Word、Office、WPS、Pdf、Cad、Rar、Zip等。

2、如遇下载失败、解压失败、文档缺失等问题,请通过【反馈】按钮提交。

下载文档
确认删除?