文档详情

[兰州]大桥抗震分析报告(65P)优质

doc
11.48MB
约80页
69
2024-03-26
[兰州]大桥抗震分析报告(65P)_第1页
1/80
[兰州]大桥抗震分析报告(65P)_第2页
2/80
[兰州]大桥抗震分析报告(65P)_第3页
3/80
[兰州]大桥抗震分析报告(65P)_第4页
4/80
[兰州]大桥抗震分析报告(65P)_第5页
5/80
[兰州]大桥抗震分析报告(65P)_第6页
6/80
[兰州]大桥抗震分析报告(65P)_第7页
7/80
[兰州]大桥抗震分析报告(65P)_第8页
8/80
[兰州]大桥抗震分析报告(65P)_第9页
9/80
[兰州]大桥抗震分析报告(65P)_第10页
10/80
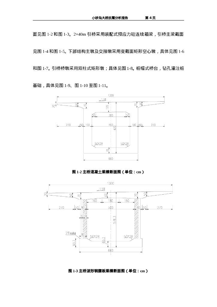
结构概况该路线在K29+538处上跨小砂沟,桥位附近小砂沟河段顺直,桥位与该河主水流方向正交,河床两...

✅当您赞助下载文档后,并不意味着购买了版权,不得用于商业用途(直接或间接盈利)。
✅本站所有内容均由热心网友分享,本站不对文档的完整性、正确性做任何保证!文档内容仅供预览参考。

✅十六年老网站,赞助会员全站免币!每天更新!
✅本站已经工信部、公安部备案,真实可信!

1、打开文档需要使用基本的办公软件,如Word、Office、WPS、Pdf、Cad、Rar、Zip等。

2、如遇下载失败、解压失败、文档缺失等问题,请通过【反馈】按钮提交。

下载文档
确认删除?