文档详情

塔吊基础冲击钻孔灌注桩施工方案2019优质

pdf
1.55MB
约38页
67
2024-03-26
塔吊基础冲击钻孔灌注桩施工方案2019_第1页
1/38
塔吊基础冲击钻孔灌注桩施工方案2019_第2页
2/38
塔吊基础冲击钻孔灌注桩施工方案2019_第3页
3/38
塔吊基础冲击钻孔灌注桩施工方案2019_第4页
4/38
塔吊基础冲击钻孔灌注桩施工方案2019_第5页
5/38
塔吊基础冲击钻孔灌注桩施工方案2019_第6页
6/38
塔吊基础冲击钻孔灌注桩施工方案2019_第7页
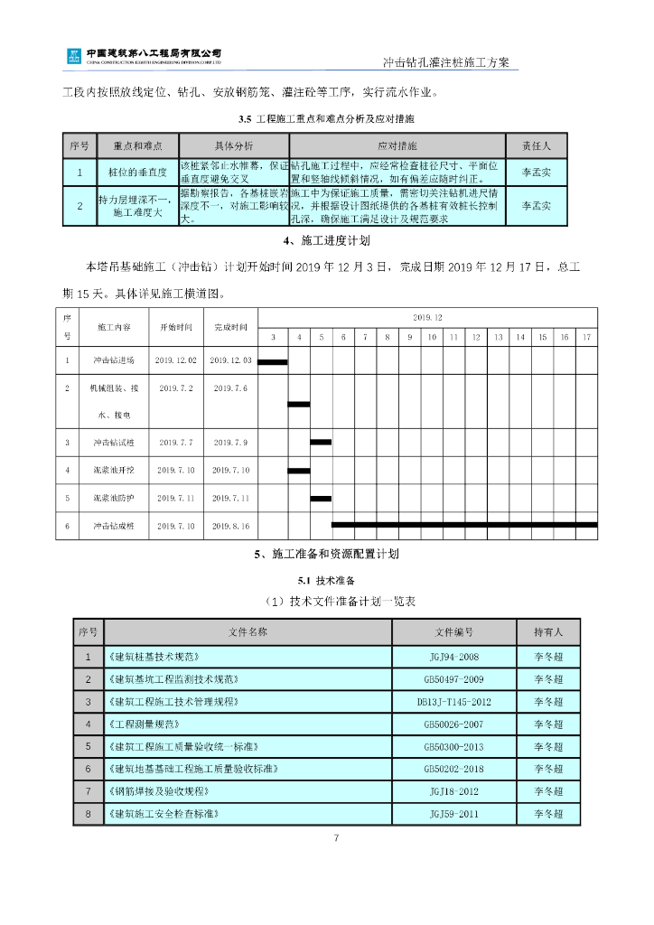
7/38
塔吊基础冲击钻孔灌注桩施工方案2019_第8页
8/38
塔吊基础冲击钻孔灌注桩施工方案2019_第9页
9/38
塔吊基础冲击钻孔灌注桩施工方案2019_第10页
10/38
土层分布:1 素填土,厚度2.8m;2-1 粉质粘土,厚度2.4m;2 粉土,3.3m 厚度;3 粉...

✅当您赞助下载文档后,并不意味着购买了版权,不得用于商业用途(直接或间接盈利)。
✅本站所有内容均由热心网友分享,本站不对文档的完整性、正确性做任何保证!文档内容仅供预览参考。

✅十六年老网站,赞助会员全站免币!每天更新!
✅本站已经工信部、公安部备案,真实可信!

1、打开文档需要使用基本的办公软件,如Word、Office、WPS、Pdf、Cad、Rar、Zip等。

2、如遇下载失败、解压失败、文档缺失等问题,请通过【反馈】按钮提交。

下载文档
确认删除?