文档详情

福建省住房和城乡建设厅办公室关于加强农村村民建房施工安全管理的通知优质

pdf
566.79KB
约9页
162
2024-01-04
福建省住房和城乡建设厅办公室关于加强农村村民建房施工安全管理的通知_第1页
1/9
福建省住房和城乡建设厅办公室关于加强农村村民建房施工安全管理的通知_第2页
2/9
福建省住房和城乡建设厅办公室关于加强农村村民建房施工安全管理的通知_第3页
3/9
福建省住房和城乡建设厅办公室关于加强农村村民建房施工安全管理的通知_第4页
4/9
福建省住房和城乡建设厅办公室关于加强农村村民建房施工安全管理的通知_第5页
5/9
福建省住房和城乡建设厅办公室关于加强农村村民建房施工安全管理的通知_第6页
6/9
福建省住房和城乡建设厅办公室关于加强农村村民建房施工安全管理的通知_第7页
7/9
福建省住房和城乡建设厅办公室关于加强农村村民建房施工安全管理的通知_第8页
8/9
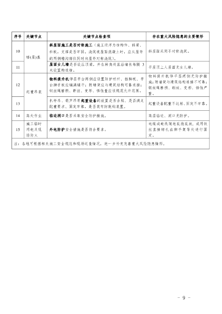
福建省住房和城乡建设厅办公室关于加强农村村民建房施工安全管理的通知_第9页
9/9

✅当您赞助下载文档后,并不意味着购买了版权,不得用于商业用途(直接或间接盈利)。
✅本站所有内容均由热心网友分享,本站不对文档的完整性、正确性做任何保证!文档内容仅供预览参考。

✅十六年老网站,赞助会员全站免币!每天更新!
✅本站已经工信部、公安部备案,真实可信!

1、打开文档需要使用基本的办公软件,如Word、Office、WPS、Pdf、Cad、Rar、Zip等。

2、如遇下载失败、解压失败、文档缺失等问题,请通过【反馈】按钮提交。

下载文档
确认删除?